Thông tin vòi hoa sen TOTO TBS02302V/TBW02005A
- Mã sản phẩm: TBS02302V-TBW02005A
- Tên sản phẩm: Sen tắm nóng lạnh LN
- Bát sen mạ
- Áp lực nước: 0.05MPa ~ 0.75MPa
- Chất liệu: Đồng
- Lớp mạ: Nickel Chrome
- Sản xuất: Việt Nam
Tính năng vòi sen TOTO TBS02302V TBW02005A
- Thiết kế hiện đại hài hòa với dòng sản phẩm LN
- Thân van bằng đồng thau
- Van đĩa bằng sứ chống bám cặn bẩn giúp khóa nước hoàn toàn
- Công nghệ sản xuất: Nhật Bản
- Xuất xứ sản phẩm: Việt Nam
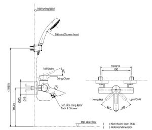
Bản vẽ bộ vòi sen tắm TBS02302V+TBW02005A TOTO


Giá Để Ly CAESAR Q8303
Bát Sen American Standard 1030970001 Tròn 254 mm Moonshadow Embrace
Vòi chậu lạnh Viglacera VG107
Vòi chậu lavabo lạnh INAX LF-1P
Bộ Tủ Lavabo Caesar LF5263/EH05263AV Trắng Treo Tường
Bộ Phụ Kiện Vòi Sen Đứng CAESAR BS124
Bộ Chậu Rửa Lavabo Và Chân Ngắn Viglacera V59 Treo Tường
Bộ Chậu Rửa Lavabo Và Chân Ngắn Treo Tường Viglacera V50 (CD50)
Chân chậu lavabo lửng American Standard 0707-WT (0707WT)
Bát Sen American Standard FFASS038 Vuông 
Đánh giá
Chưa có đánh giá nào.