Thông tin lavabo Caesar LF5263/PF2463 treo tường
- Chậu Lavabo CAESAR LF5263 kèm chân ngắn treo tường PF2463 của hãng thiết bị vệ sinh Caesar
- Bộ sản phẩm bao gồm chậu lavao và chân chậu
- Không bao gồm phụ kiện( vòi, bộ xả,...)
- Thiết kế sang trọng ( tinh tế, cao cấp, hiện đại)
- Chất liệu sứ cao cấp, chống bám bẩn
- Màu trắng
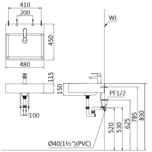
- Kích thước: 450 x 480 x 115 mm
- Sản xuất tại Việt Nam
Bản vẽ kỹ thuật chậu rửa mặt treo tường LF5263 PF2463


Bộ chuyển đổi nguồn INAX A-468-BAT sử dụng Pin cho bồn tiểu nam
Bộ Chậu Rửa Lavabo Và Chân Ngắn Viglacera V59 Treo Tường 
Đánh giá
Chưa có đánh giá nào.